HOME
事業紹介
施設・設備
製品紹介
企業情報
よくあるご質問
関連企業
ブルースタイル
なごみトレーディングサービス
採用情報
お問い合わせ
製品紹介
HOME
製品紹介
角ダクト
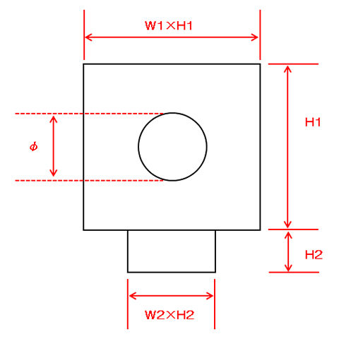
ボックス
角ダクト
ボックス
素材説明
亜鉛鉄板
主流、一般的、錆△ 亜鉛メッキ鉄板 – 最も一般的
ステンレス
錆びない◎ ステンレス鋼板 – 防錆用
ガルバリウム
錆びにくい○ ガルバリウム鋼板 – 外部や耐熱が要求される場所など防錆・耐熱用(アルミニウム55%、亜鉛43.4%、珪素1.6%の合金めっき)
塩ビ鋼板
錆びにくい◎ 塩ビ被覆鋼板 – 製薬会社やプールなど高度な耐食・耐薬品用
ダクト類商品の購入方法
当社では個人宅(法人名または屋号の記載がされていない)方への販売は不可となります。
※個人事業主様は個人名とは異なる法人(会社・企業・屋号)名の記載をお願いします。
お電話でのご注文
0794-86-7800
月〜金 9:00〜17:00(土日祝は休み)
ネットショップで購入
採用情報
お問い合わせ